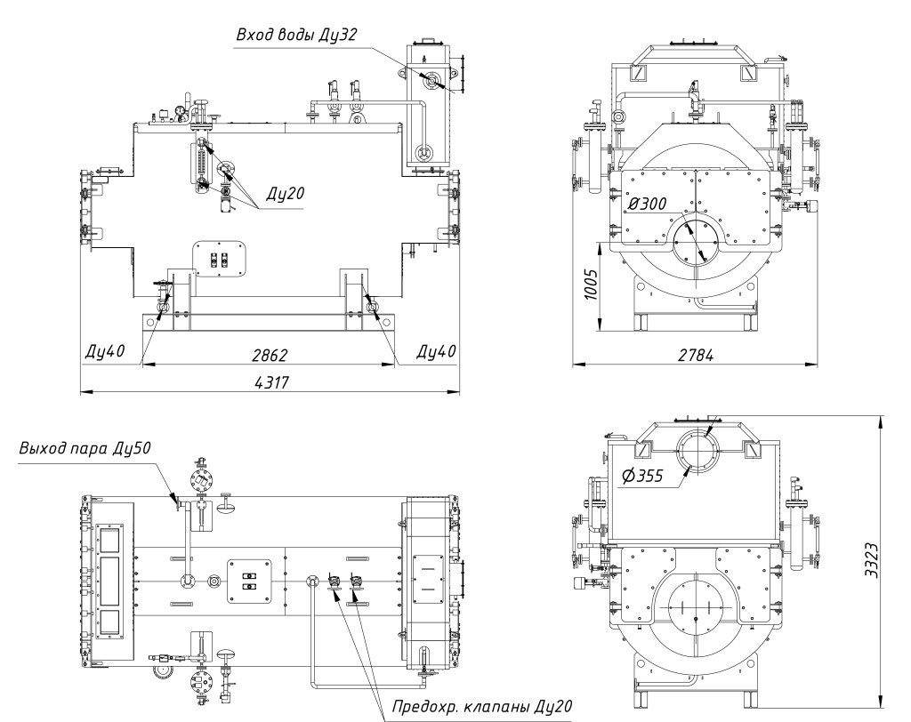
Группа компаний НПК «Завод модульного энергооборудования» предлагает купить трехходовой паровой котел Temron SH1 производительностью пара 1 т/ч с доставкой по всей России. Котел SH1 работает на газообразном и лёгком жидком топливе, допускается работа на тяжёлом жидком топливе (мазут М-100). Вы сможете подобрать то, что подходит именно вам, есть в наличии на складе в Калуге и Калужской области!
Так же наши специалисты помогут подобрать подходящую систему автоматики Temron SA, SB производства Temron для паровых котлов.
Индивидуальные скидки клиентам - звоните узнать!
Паровые котлы серии «TEMRON SH» используются для генерации пара для отраслей промышленности и энергетики. Модульная конструкция дает возможность эффективно выполнить запрос заказчика по производительности, параметрам вырабатываемого пара, диапазону регулирования.
Паровые котлы серии «TEMRON SH» выполняются в соответствии с техническими условиями заказчика, как в варианте для выработки насыщенного пара, так и с пароперегревателем.
Котлы, используемые для генерации перегретого пара, комплектуются одно или двухступенчатыми перегревателями, установленными, в соответствии с необходимой температурой перегрева, в переднюю или заднюю поворотные камеры.
Для более высокой эффективности котлы могут быть оборудованы водотрубным экономайзером.
В конструкции котлов применяются отбортованные днища и волнистые жаровые трубы, что гарантирует прочность и долговечность.
Преимущества паровых котлов TEMRON SH1
Компактность
Подходит для установки в блочно-модульных котельных, реконструируемых, строящихся или существующих зданиях.
Многотопливность
Можно использовать как газообразное, так и лёгкое жидкое топливо. Допускается работа на тяжёлом жидком топливе (мазут М-100), но необходимо дополнительное согласование по выбору горелки и допустимой производительности котла.
Удобство обслуживания
Фронтовая дверь может открывается в обе стороны, что дает доступ к топке и дымогарным трубам, без демонтажа горелки.
Выбор комплектации
По запросу заказчика можно изменить комплектацию котла.
Широкий диапазон производительности
Паропроизводительность котлов от 1 до 30 т/ч.
Широкий выбор горелок
На котёл может быть установлена моноблочная горелка соответствующей мощности любого производителя.
Оборудование котла TEMRON SH1
SH без экономайзера
SH с экономайзером
| 1 - Питательная линия | 2.2 - Электродный датчик проводимости | 4.3 - Пневмораспределитель |
| 1.1 - Фильтр сетчатый | 2.3 - Вентиль запорный | 5 - Система контроля и безопасности уровня |
| 1.2 - Питательный насос | 3 - Коллектор давления | 5.1 - Электродный датчик уровня |
| 1.3 - Обратный клапан | 3.1 - Реле давления | 5.2 - Система контроля и регулировки уровня |
| 1.4 - Вентиль запорный | 3.2 - Преобразователь давления | 5.3 - Указатель уровня |
| 1.5 - Клапан регулирующий с электроприводом | 3.3 - Манометр | 6 - Арматура котла |
| 1.6 - Экономайзер | 4 - Система периодической продувки | 6.1 - Главная паровая задвижка |
| 2 - Система непрерывной продувки | 4.1 - Клапан периодической продувки | 6.2 - Предохранительный клапан |
| 2.1 - Клапан непрерывной продувки | 4.2 - Вентиль запорный | 7 - Шкаф автоматики |
Технические характеристики котла TEMRON SH1
| Номинальная паропроизводительность |
т/ч | 1 | |||
| Максимально допустимое рабочее давление* | МПа | 0,6 | 1,0 | 1,3 | 1,6 |
| Температура насыщенного/перегретого пара | °С | 165/ 215 |
184/ 234 |
195/ 245 |
204/ 254 |
| Температура питательной воды | °С | 104 | |||
| Ёмкость котла (водяной/паровой) |
м³ | 4,5 (3,7/0,8) |
|||
| Номинальная тепловая мощность топки | кВт | 750 | 760 | ||
| Сопротивление газового тракта | кПа (мбар) |
0,3 (3) |
|||
| Расход топлива для природного газа с Qрн=8000 ккал/м³ |
м³/ч | 85 | |||
| Масса котла** | т | 6,3 | 7,0 | 7,2 | 8,1 |
- По согласованию от 0,6 МПа до 2,5 МПа
** Масса может отличаться на 10%
Требование к качеству воды
| Срок службы котла на прямую зависит от качества сетевой воды. | ||||
| Предельно допустимая концентрация веществ в воде*: | ||||
| - значение pH при 25°C от 7 до 11; - общая жесткость - 100 мкг-экв/кг; - железо до 300 мкг/кг; - кислорода до 50 мкг/кг; - нефтепродукта до 1 мг. *Данные приведены для температуры до 115°С, при большей температуре смотреть РД 10-165. |
||||
| Более подробная информация содержится: | ||||
|
Приказ № 536 от 15.12.2020 ФНП ОРПД Приложение №9 Требования к качеству питательной и котловой воды |
Размер топки
| Размер топки, мм | ||||
| Диаметр* | Длина | Диаметр отверстия под горелку |
Толщина горелочного камня (с плитой) |
Вылет пламенной головы |
| Dт | Lт | d | S | S1 |
| 700 | 2000 | 300 | 310 | 50-120 |
Указан внутренний диаметр волнистой трубы. Гладкая труба применяется до давления 1 МПа

- Пламенная голова
- Горелочное устройство
- Теплоизоляционный материал
- Огнеупорная изоляция

